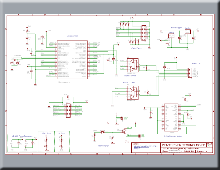
Main Logic Schematic and Board Examples