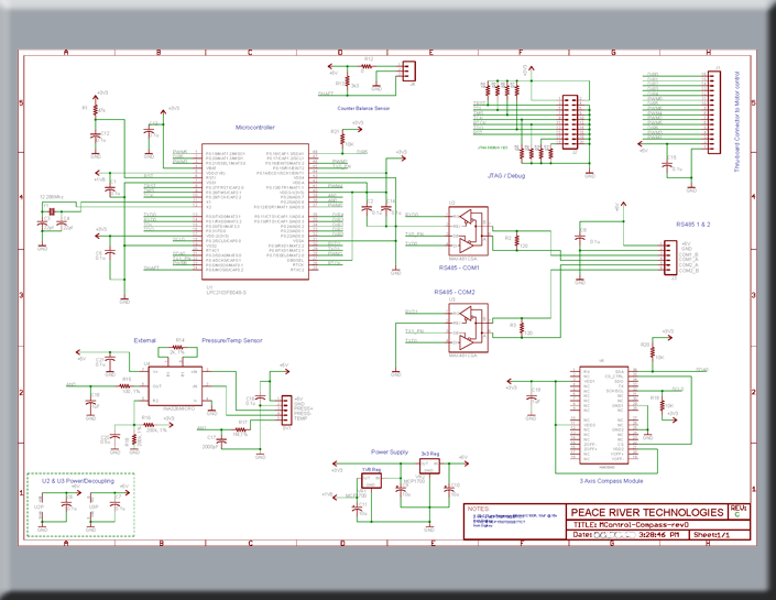
ARM 7 Micro Controller / Compass Schematic & Board Examples