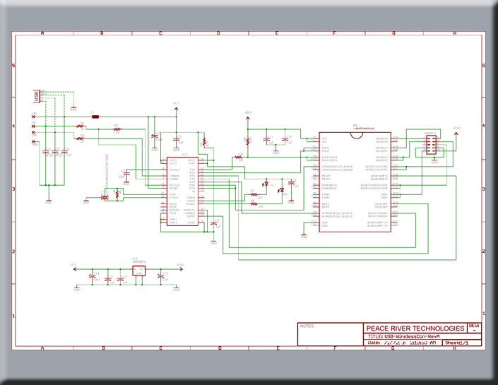
USB to Wireless converter Examples